Můžete se přihlásit anebo si založit konto

9000/V-Stift-Zn(9000-02)/100

9000/V-Stift-Zn(9000-02)/100
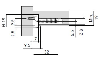
Element fixace pevná police

ceny sa Vám zobrazia až po prihlásení

Interní kód 43053.42
ks